Kühler zu heiß Ventilatoren springen nicht an.
Moderator: Nighthawk 2307
9 Beiträge
• Seite 1 von 1
Kühler zu heiß Ventilatoren springen nicht an.
Hallo,
bin ebend mit voll heizug an und vollem Gebläse nach hause gehumplet.
Wasser 110 Grad
Der Kühler ist unten und oben heiß .
Die Lüfter springen nicht an bei Stau.
Wo sitzt der Schalter und wo die Sicherung ?
Grüße Frank
bin ebend mit voll heizug an und vollem Gebläse nach hause gehumplet.
Wasser 110 Grad
Der Kühler ist unten und oben heiß .
Die Lüfter springen nicht an bei Stau.
Wo sitzt der Schalter und wo die Sicherung ?
Grüße Frank
- RUBY
- Beiträge: 2165
- Registriert: 30.07.13, 22:33
- Geschlecht: Männlich
- Fahrzeug: C5, C5 , C3
Re: Kühler zu heiß Ventilatoren springen nicht an.
Da ist kein Schalter, Die werden vom Steuergerät aktiviert je nach Programmierung.
Welche Sicherung musst mal im Kasten nachschauen.
Welche Sicherung musst mal im Kasten nachschauen.
- frame77
- Beiträge: 1975
- Bilder: 3
- Registriert: 06.05.14, 13:17
- Wohnort: Neuss
- Geschlecht: Männlich
- Fahrzeug: C5 Conv. Torch Red
Re: Kühler zu heiß Ventilatoren springen nicht an.
Gut Sicherung suchen und mal +raufgeben. Sehen ob der Lüfter sich dreht.
Da müsste es ja auch irfendwo ein Relais geben.
Nur wo ?
Grüße Frank
Da müsste es ja auch irfendwo ein Relais geben.
Nur wo ?
Grüße Frank
- RUBY
- Beiträge: 2165
- Registriert: 30.07.13, 22:33
- Geschlecht: Männlich
- Fahrzeug: C5, C5 , C3
- frame77
- Beiträge: 1975
- Bilder: 3
- Registriert: 06.05.14, 13:17
- Wohnort: Neuss
- Geschlecht: Männlich
- Fahrzeug: C5 Conv. Torch Red
Re: Kühler zu heiß Ventilatoren springen nicht an.
Danke , ich werde mal schauen .. Grüße
- RUBY
- Beiträge: 2165
- Registriert: 30.07.13, 22:33
- Geschlecht: Männlich
- Fahrzeug: C5, C5 , C3
Re: Kühler zu heiß Ventilatoren springen nicht an.
C5 hat drei Fan speeds über drei relais geschalten. Allerdings kommt Stufe 3 serienmässig erst bei 113 Grad und die Stufe 1 in Serie merkt man kaum
-

CCRP - Beiträge: 1278
- Registriert: 01.10.14, 18:23
- Wohnort: Graz, Austria hometown of speed
- Geschlecht: Männlich
- Fahrzeug: 2015 Corvette C7 Cabrio
Re: Kühler zu heiß Ventilatoren springen nicht an.
Hallo,
Danke.
Leider buss ich meinen V8 in meiner Bayliner erst wieder einbauen. Die Firma benötigt den Platz .
Erst Dann habe ich Zeit Fehler zu suchen.
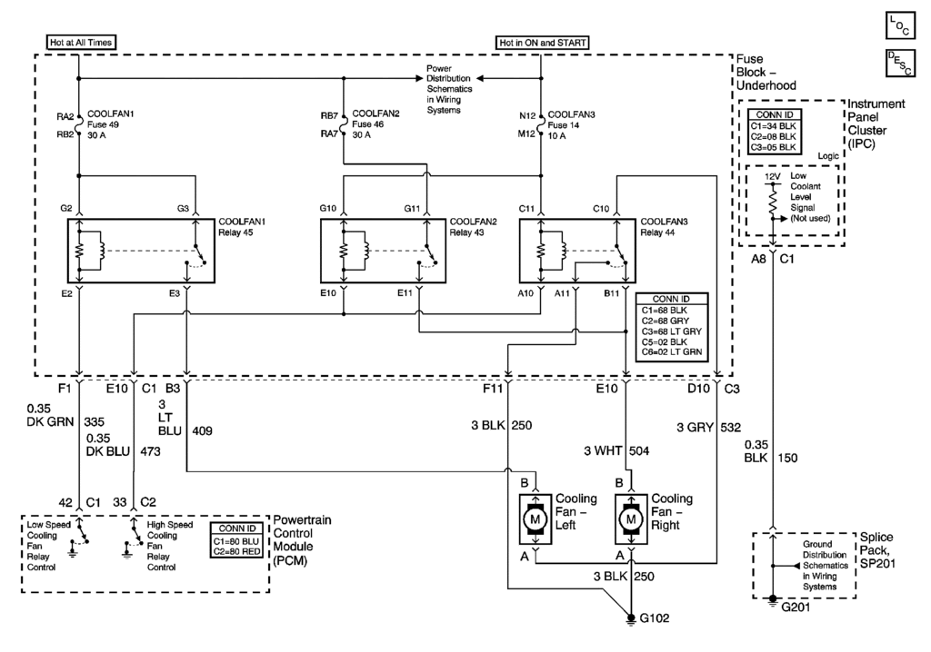
Laut Schlaltplan gibt es nur 2 Stufen ?
Da ist es eine Reihenschaltung der beiden Lüfter bei Stufe 1
und Paralellschaltung der beiden bei Stufe 2
Im I net steht dazu :
Im Stand:
Der Low-Speed-Lüftermodus wird aktiviert, wenn die Kühlmitteltemperatur 108 ° C (226 ° F) erreicht. Es wird ausgeschaltet, wenn die Kühlmitteltemperatur auf 104 ° C (219 ° F) sinkt.
Der Hochgeschwindigkeitslüftermodus wird eingeschaltet, wenn die Kühlmitteltemperatur 113 ° C (235 ° F) erreicht. Es wird ausgeschaltet, wenn die Kühlmitteltemperatur auf 108 ° C (226 ° F) sinkt.
Wenn die Klimaanlage eingeschaltet ist und die Kühlmitteltemperatur 85 ° C (185 ° F) erreicht, wird der Niedriggeschwindigkeits-Lüftermodus bei Fahrzeuggeschwindigkeiten von weniger als 56 KmH (35 mph) eingeschaltet. Beide Lüfter laufen entweder im Hochgeschwindigkeitsmodus oder im Niedriggeschwindigkeitsmodus.
Eine Überhitzung mit höherer Geschwindigkeit wird normalerweise durch eine Verstopfung des Luftstroms, eine geringe Kühlflüssigkeit, einen Thermostatfehler, einen Ausfall des Riemenausfalls der Wasserpumpe verursacht.
Überprüfen Sie die Sicherungen 14, 46 und 49 im Sicherungskasten des Motorraums auf Lüfterprobleme. Sie sind mit den Fans verwandt. Es könnte sich um einen Sicherungsausfall, um Relaisprobleme (Relais 43, 44 und 45), um einen Lüftermotor mit Fremdkörpern oder einen schlechten Lüftermotor handeln.
Grüße Frank
Danke.
Leider buss ich meinen V8 in meiner Bayliner erst wieder einbauen. Die Firma benötigt den Platz .
Erst Dann habe ich Zeit Fehler zu suchen.
Laut Schlaltplan gibt es nur 2 Stufen ?
Da ist es eine Reihenschaltung der beiden Lüfter bei Stufe 1
und Paralellschaltung der beiden bei Stufe 2
Im I net steht dazu :
Im Stand:
Der Low-Speed-Lüftermodus wird aktiviert, wenn die Kühlmitteltemperatur 108 ° C (226 ° F) erreicht. Es wird ausgeschaltet, wenn die Kühlmitteltemperatur auf 104 ° C (219 ° F) sinkt.
Der Hochgeschwindigkeitslüftermodus wird eingeschaltet, wenn die Kühlmitteltemperatur 113 ° C (235 ° F) erreicht. Es wird ausgeschaltet, wenn die Kühlmitteltemperatur auf 108 ° C (226 ° F) sinkt.
Wenn die Klimaanlage eingeschaltet ist und die Kühlmitteltemperatur 85 ° C (185 ° F) erreicht, wird der Niedriggeschwindigkeits-Lüftermodus bei Fahrzeuggeschwindigkeiten von weniger als 56 KmH (35 mph) eingeschaltet. Beide Lüfter laufen entweder im Hochgeschwindigkeitsmodus oder im Niedriggeschwindigkeitsmodus.
Eine Überhitzung mit höherer Geschwindigkeit wird normalerweise durch eine Verstopfung des Luftstroms, eine geringe Kühlflüssigkeit, einen Thermostatfehler, einen Ausfall des Riemenausfalls der Wasserpumpe verursacht.
Überprüfen Sie die Sicherungen 14, 46 und 49 im Sicherungskasten des Motorraums auf Lüfterprobleme. Sie sind mit den Fans verwandt. Es könnte sich um einen Sicherungsausfall, um Relaisprobleme (Relais 43, 44 und 45), um einen Lüftermotor mit Fremdkörpern oder einen schlechten Lüftermotor handeln.
Grüße Frank
- RUBY
- Beiträge: 2165
- Registriert: 30.07.13, 22:33
- Geschlecht: Männlich
- Fahrzeug: C5, C5 , C3
Re: Kühler zu heiß Ventilatoren springen nicht an.
Schau noch nal genau die Schaltung an.....
-

CCRP - Beiträge: 1278
- Registriert: 01.10.14, 18:23
- Wohnort: Graz, Austria hometown of speed
- Geschlecht: Männlich
- Fahrzeug: 2015 Corvette C7 Cabrio
Re: Kühler zu heiß Ventilatoren springen nicht an.
Nur zur Info
Nach Tausch des Realais 44 war dann Ruhe und es ging wieder.
Grüße Frank
Nach Tausch des Realais 44 war dann Ruhe und es ging wieder.
Grüße Frank
- RUBY
- Beiträge: 2165
- Registriert: 30.07.13, 22:33
- Geschlecht: Männlich
- Fahrzeug: C5, C5 , C3
9 Beiträge
• Seite 1 von 1
Wer ist online?
Mitglieder in diesem Forum: 0 Mitglieder und 8 Gäste

